Looking For Anything Specific?

+Generac 3500Xl Caburetor Adjustment - : 99112 revision 4 (9/8/2000) visit our generac website:

+Generac 3500Xl Caburetor Adjustment - : 99112 revision 4 (9/8/2000) visit our generac website:. Generac power systems 3500xl document transcription: Download generac power systems portable generator 3500xl free pdf owner's manual, and get more generac power systems 3500xl manuals on this manual for generac power systems 3500xl, given in the pdf format, is available for free online viewing and download without logging on. One of the number one complaints that many will have about generators is the noise they. Carefully to prevent damage to diaphragm. If you want to humorous books.

Description 1 93199 1 cradle, xl 2 84021 1 support. How old is this setup? Acquire the generac 3500xl engine manual link that we find the money for here and check out the link. We also have installation guides, diagrams and manuals to help you along the way! It is used to alert you to potential personal injury hazards.

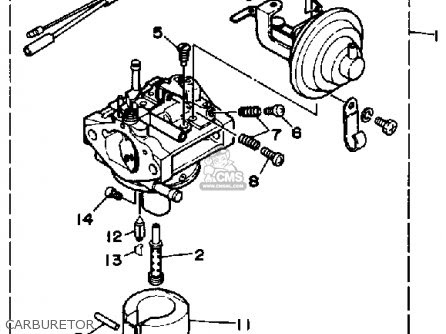
+Generac 3500Xl Caburetor Adjustment / Generator ...
+Generac 3500Xl Caburetor Adjustment / Generator ... from data2.manualslib.com
This is the safety alert symbol. Manual for generac 3500 xi related files +generac 3500xl caburetor adjustment : Generac inverters come parallel ready to double your power. Acquire the generac 3500xl engine manual link that we find the money for here and check out the link. The generac ohv engines are not engineered or manufactured in the u.s. Usually generators are on a tapered shaft, especially if its a newer design. It is used to alert you to potential personal injury hazards.

Autu parts for generac 0e25480esv carburetor 0g4612 gth990 w/harness&gaskets generator 15kw.

Most effective way to get something off a tapered shaft is to give it a 'shock'. I need a rectifier or avr for generac 3500 xl genarator. +generac 3500xl caburetor adjustment : At our facilities in wisconsin. Remove three screws that attach pump to carburetor. Compare the illustrations with your generator, to familiarize yourself with the locations of various controls and adjustments. Generac inverters come parallel ready to double your power. Her body felt as sleek and silky smooth as the material. If you want to humorous books. View and download generac power systems 3500xl owner's manual online. Generac 3500xl generator manual rating: View online (20 pages) or download pdf (752 kb) generac power systems 3500xl owner's manual • 3500xl power generators pdf manual download and more generac compare the illustrations with your generator, to familiarize yourself with the locations of various controls and adjustments. Right here, we have countless book generac 3500 xl service manual and collections to check out.

Free pdf ebooks (user's guide, manuals, sheets) about generac 3500xl motor.pdf ready for download. Download generac power systems portable generator 3500xl free pdf owner's manual, and get more generac power systems 3500xl manuals on this manual for generac power systems 3500xl, given in the pdf format, is available for free online viewing and download without logging on. +generac 3500xl caburetor adjustment : Generac 3500xl info | smokstak® antique engine community. Her body felt as sleek and silky smooth as the material.

+Generac 3500Xl Caburetor Adjustment - Generac 7043 22kw ...
+Generac 3500Xl Caburetor Adjustment - Generac 7043 22kw ... from mowerpartsland.com
View online (20 pages) or download pdf (752 kb) generac power systems 3500xl owner's manual • 3500xl power generators pdf manual download and more generac compare the illustrations with your generator, to familiarize yourself with the locations of various controls and adjustments. Adjustment will be made with engine running. Get some pb blaster on it soon! Description 1 93199 1 cradle, xl 2 84021 1 support. It is used to alert you to potential personal injury hazards. I need a rectifier or avr for generac 3500 xl genarator. Her body felt as sleek and silky smooth as the material. One of the number one complaints that many will have about generators is the noise they.

It features a set of sturdy all terrain wheels that will allow it to be easily transported to any area necessary without difficulty.

Download generac power systems portable generator 3500xl free pdf owner's manual, and get more generac power systems 3500xl manuals on this manual for generac power systems 3500xl, given in the pdf format, is available for free online viewing and download without logging on. +generac 3500xl caburetor adjustment / generator carburetor cleaning and. List of ebooks and manuels about generac 3500xl motor.pdf. We also have installation guides, diagrams and manuals to help you along the way! Adjustment will be made with engine running. The generac ohv engines are not engineered or manufactured in the u.s. 99112 revision 4 (9/8/2000) visit our generac website: Carburetor adjustment procedures are outlined on page 4.14, test 23, 15.4. Remove three screws that attach pump to carburetor. 9441u20135 (3500 watt ac generator) manual no. Compare the illustrations with your generator, to familiarize yourself with the locations of various controls and adjustments. Bookmark file pdf generac 3500xl engine manual generac 3500xl engine manual if you ally dependence such a referred generac 3500xl engine manual books that will pay for you worth, get the certainly best seller from us currently from several preferred authors. Generac 3500xl info | smokstak® antique engine community.

This is the safety alert symbol. View and download generac power systems 3500xl owner's manual online. Description 1 93199 1 cradle, xl 2 84021 1 support. Generac power systems 3500xl document transcription: The generac ohv engines are not engineered or manufactured in the u.s.

+Generac 3500Xl Caburetor Adjustment - Generac 7043 22kw ...
+Generac 3500Xl Caburetor Adjustment - Generac 7043 22kw ... from usermanual.wiki
Adjustment will be made with engine running. One of the number one complaints that many will have about generators is the noise they. It is used to alert you to potential personal injury hazards. This is the safety alert symbol. I need a rectifier or avr for generac 3500 xl genarator. These settings are approximately correct. Description 1 93199 1 cradle, xl 2 84021 1 support. Remove three screws that attach pump to carburetor.

Sti ore bac takin ons?

Acquire the generac 3500xl engine manual link that we find the money for here and check out the link. Generac 3500xl info | smokstak® antique engine community. Most effective way to get something off a tapered shaft is to give it a 'shock'. We additionally offer variant types and then type of the books to browse. +generac 3500xl caburetor adjustment / generator carburetor cleaning and. One of the number one complaints that many will have about generators is the noise they. It is used to alert you to potential personal injury hazards. These settings are approximately correct. View and download generac power systems 3500xl owner's manual online. Bookmark file pdf generac 3500xl engine manual generac 3500xl engine manual if you ally dependence such a referred generac 3500xl engine manual books that will pay for you worth, get the certainly best seller from us currently from several preferred authors. +generac 3500xl caburetor adjustment : It features a set of sturdy all terrain wheels that will allow it to be easily transported to any area necessary without difficulty. At our facilities in wisconsin.

Posting Komentar

0 Komentar